CLOSE
Search
CLOSE

DIN Standard Double Cartridge Seals D51 with Easy Installation Replacing Depac 321

D51 double mechanical seal
Double Cartridge Seals D51
Replacement for:
  • Depac 321

Features:
  • DIN standard
  • Easy installation

Performance Capabilities of Double Cartridge Seals D51

  • Temperature: -40℃ to 250℃, dependent on the elastomer
  • Pressure: Up to 28 bar
  • Speed: Up to 35 m/s
  • End play/axial float allowance ±1.0mm

Sizes of Double Cartridge Seals D51

24mm to 100mm
1” to 4”

Materials Combination of Double Cartridge Seals D51

  • Face: Carbon, SiC, TC
  • Seat: SiC, TC
  • rings: NBR, EPDM, VITON, Aflas, FEP, Kalrez, Chemraz etc.
  • Spring: SS316, Hastelloy C
  • Metal parts: SS316

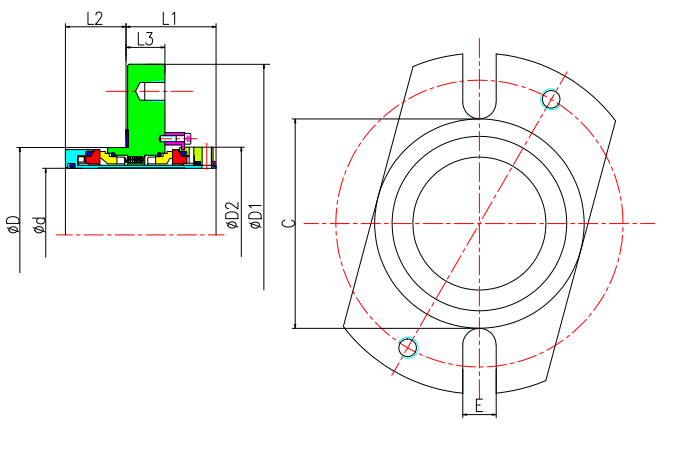
Specification of Double Cartridge Seals D51

Double Cartridge Seals by Size d C D D1 D2 E L1 L2 L3
D51-24 24 60 44.7 105 52 12.5 50 35 24
D51-25 25 60 44.7 105 52 12.5 50 35 24
D51-28 28 60 47.7 105 55 12.5 50 35 24
D51-30 30 60 49.7 105 57 12.5 50 35 24
D51-32 32 60 50.9 105 60 12.5 50 35 24
D51-33 33 60 50.9 105 60 12.5 50 35 24
D51-35 35 67 54.7 115 62 12.5 50 35 24
D51-38 38 75 57.7 130 65 14.7 50 35 24
D51-40 40 75 59.7 130 67 14.7 50 35 24
D51-43 43 82 62.7 140 70 14.7 50 35 24
D51-45 45 82 64.7 140 72 14.7 50 35 24
D51-48 48 82 67.7 140 75 14.7 50 35 24
D51-50 50 82 69.7 140 77 14.7 50 35 24
D51-53 53 92 72.7 150 80 17.5 50 35 24
D51-55 55 92 74.7 150 82 17.5 50 35 24
D51-60 60 100 79.7 160 87 17.5 50 35 24
D51-65 65 100 84.7 160 92 17.5 50 35 24
D51-70 70 112 89.7 180 97 17.5 50 35 24
D51-75 75 125 102.8 190 108 17.5 54 39 25
D51-80 80 130 107.8 190 113 17.5 54 39 25
D51-85 85 135 112.8 220 118 21.5 54 39 25
D51-90 90 140 117.8 220 123 21.5 54 39 25
D51-95 95 145 122.8 220 128 21.5 54 39 25
D51-100 100 150 127.8 220 133 21.5 54 39 25

Double Cartridge Seals by Size d C D D1 D2 E L1 L2 L3
D51-1" 1 2.382 1.76 4.134 1.85 0.492 2.126 1.387 0.945
D51-1.125" 1 1/8 2.362 1.878 4.134 1.969 0.492 2.126 1.387 0.945
D51-1.25" 1 1/4 2.362 2.004 4.134 2.126 0.492 2.126 1.387 0.945
D51-1.375" 1 3/8 2.638 2.154 4.528 2.244 0.492 2.126 1.387 0.945
D51-1.5" 1 1/2 2.953 2.272 5.118 2.362 0.579 2.126 1.387 0.945
D51-1.625" 1 5/8 3.228 2.429 5.512 2.52 0.579 2.126 1.387 0.945
D51-1.75" 1 3/4 3.228 2.547 5.512 2.638 0.579 2.126 1.387 0.945
D51-1.875" 1 7/8 3.228 2.665 5.512 2.756 0.579 2.126 1.387 0.945
D51-2" 2 3.228 2.744 5.512 2.835 0.579 2.126 1.387 0.945
D51-2.125" 2 1/8 3.622 2.862 5.906 2.953 0.689 2.126 1.387 0.945
D51-2.25" 2 1/4 3.622 3.02 5.906 3.11 0.689 2.126 1.387 0.945
D51-2.375" 2 3/8 3.937 3.138 6.299 3.228 0.689 2.126 1.387 0.945
D51-2.5" 2 1/2 3.937 3.256 6.299 3.346 0.689 2.126 1.387 0.945
D51-2.625" 2 5/8 4.409 3.413 7.087 3.504 0.689 2.126 1.387 0.945
D51-2.75" 2 3/4 4.409 3.531 7.087 3.622 0.689 2.126 1.387 0.945
D51-2.875" 2 7/8 4.843 3.969 7.48 3.976 0.689 2.126 1.387 0.945
D51-3" 3 4.921 4.047 7.48 4.055 0.689 2.283 1.535 0.984
D51-3.125" 3 1/8 5.118 4.244 7.48 4.252 0.689 2.283 1.535 0.984
D51-3.25" 3 1/4 5.236 4.362 7.48 4.37 0.689 2.283 1.535 0.984
D51-3.375" 3 3/8 5.315 4.441 8.661 4.449 0.846 2.283 1.535 0.984
D51-3.5" 3 1/2 5.512 4.638 8.661 4.646 0.846 2.283 1.535 0.984
D51-3.625" 3 5/8 5.591 4.717 8.661 4.724 0.846 2.283 1.535 0.984
D51-3.75" 3 3/4 5.709 4.835 8.661 4.843 0.846 2.283 1.535 0.984
D51-3.875" 3 7/8 5.906 5.031 8.661 5.039 0.846 2.283 1.535 0.984
D51-4" 4 5.906 5.031 8.661 5.039 0.846 2.283 1.535 0.984



Design Drawing of Double Cartridge Seals D51

Double Cartridge Seals D51
Contact Us
Get In Touch With SEALCON
Want the mechanical seals price list? Fill out the form and we'll get back to you ASAP.